Skip to main content

Selecteer uw land/taalvoorkeur

PH5398.jpg image Beweeg over de afbeelding om te vergroten of klik om te vergroten.

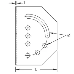
Basissteun van zwenkstijl voor veerpoot type A

Technische ondersteuning of een offerte nodig? Wij zijn er om u te helpen.
Contact Waar te koop
Waarschuwing
nVent-producten moeten alleen worden geïnstalleerd en gebruikt zoals aangegeven in de instructiebladen en trainingsmateriaal van nVent. Instructiebladen zijn beschikbaar op www.nvent.com en bij uw nVent klantenservicevertegenwoordiger. Onjuiste installatie, misbruik, verkeerde toepassing of ander falen om de instructies en waarschuwingen van nVent volledig te volgen, kan leiden tot productstoringen, schade aan eigendommen, ernstig lichamelijk letsel en de dood en/of uw garantie ongeldig maken.
Technische ondersteuning of een offerte nodig? Wij zijn er om u te helpen.
Contact Waar te koop