Skip to main content
Please Select Your Country/Language Preferences

PH36540.jpg image Hover to magnify image or click to enlarge

P9 Position Transition Coupler, Coated

Coated reinforcing bar is used in place of plain reinforcing bars to protect against corrosion. Typical applications include bridges, parking structures, pavement, marine structures and repair work. nVent LENTON couplers and mechanical anchors are available in multiple coatings to meet specific job requirements.

Read more Read less Print This Page
Need technical support or a quote? We're here to help.
Contact Us Where to Buy
Details

Features

Specifications

Finish Standard ASTM® A775/A775M and AASHTO M284
Finish Epoxy Coated
Material Steel
100% U.S. Domestic Content Yes
Data Copied
Metric   |   Imperial
Designed to Meet AASHTO;ABNT NBR 8548:1984;ACI 318 Type 1 (125% Specified Yield);ACI 318 Type 2 (Specified Tensile);ACI 349;ACI 359;AS3600

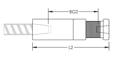
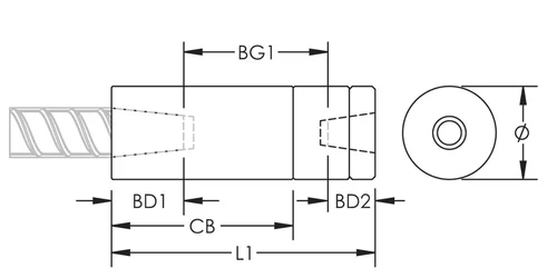
Diagrams

Resources CAD
Warning
nVent products shall be installed and used only as indicated in nVent's product instruction sheets and training materials. Instruction sheets are available at www.nvent.com and from your nVent customer service representative. Improper installation, misuse, misapplication or other failure to completely follow nVent's instructions and warnings may cause product malfunction, property damage, serious bodily injury and death and/or void your warranty.
Need technical support or a quote? We're here to help.
Contact Us Where to Buy