Skip to main content
Seleccione su país/sus preferencias de idioma

PH37017.jpg image Pase el ratón para ampliar la imagen o haga clic para agrandarla

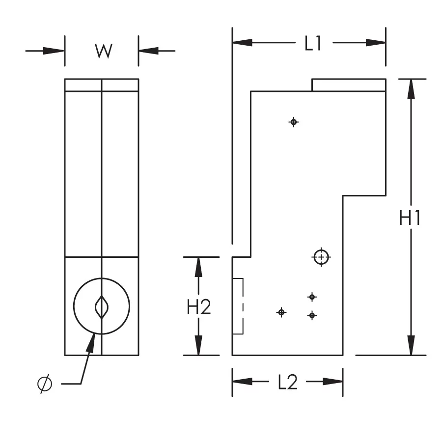
Angular Pouring Basin, Side Fill, Variable Upper Component

Side fill pouring basins are used when interferences of the structure will not allow top filling of the sleeve. Variable angle side fill pouring basins are used when one of the predefined angle pouring basins is not available or when a project has multiple reinforcing steel angles.

The upper component is universal to all sleeve sizes and is always used in conjunction with the bottom component.

Leer más Leer menos Imprimir esta página
¿Necesita asistencia técnica o un presupuesto? Estamos aquí para ayudar.
Contacto Dónde comprar
Detalles

Características

Especificaciones

Datos copiados
Métrico   |   Sistema imperial

Diagramas

Imágenes de la aplicación Recursos Productos relacionados
Advertencia
Los productos nVent deben instalarse y usarse solo como se indica en las hojas de instrucciones y materiales de capacitación del producto nVent. Instruction sheets are available at www.nvent.com and from your nVent customer service representative. La instalación incorrecta, el mal uso, la aplicación incorrecta u otras fallas en el seguimiento completo de las instrucciones y advertencias de nVent pueden causar el mal funcionamiento del producto, daños a la propiedad, lesiones corporales graves y la muerte y/o anular la garantía.
¿Necesita asistencia técnica o un presupuesto? Estamos aquí para ayudar.
Contacto Dónde comprar