Anti-Rattle Support
Details
Application images
Resources
Features
- Permits EMT, MC and AC to be pulled through metal stud
- Requires a self-tapping screw to install
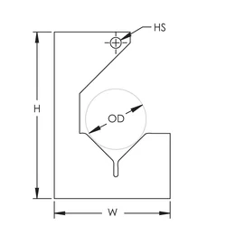
Specifications
Installation Manual / Instruction Sheet
Certifications
cUL DWMU7.E165703
CAN/CSA C22.2 No. 18.4-04
UL DWMU.E165703
ANSI/UL 2239
- Warning
- nVent products shall be installed and used only as indicated in nVent's product instruction sheets and training materials. Instruction sheets are available at www.nvent.com and from your nVent customer service representative. Improper installation, misuse, misapplication or other failure to completely follow nVent's instructions and warnings may cause product malfunction, property damage, serious bodily injury and death and/or void your warranty.