Skip to main content

Please Select Your Country/Language Preferences

PH35936.jpg image Hover to magnify image or click to enlarge

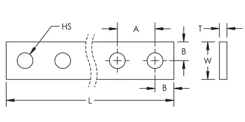
DPCB Punched Plain Copper Busbar, Single

Need technical support or a quote? We're here to help.
Contact Us Where to Buy
Details

Features

Specifications

Data Copied
Metric   |   Imperial

Diagrams

Resources CAD
Related Products
Warning
nVent products shall be installed and used only as indicated in nVent's product instruction sheets and training materials. Instruction sheets are available at www.nvent.com and from your nVent customer service representative. Improper installation, misuse, misapplication or other failure to completely follow nVent's instructions and warnings may cause product malfunction, property damage, serious bodily injury and death and/or void your warranty.
Need technical support or a quote? We're here to help.
Contact Us Where to Buy