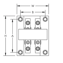
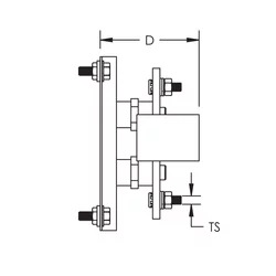
Disconnectable PEN System
Hover to magnify image or click to enlarge
Disconnectable PEN System
Details
Application images
Resources
CAD
Features
- Dedicated product allowing separation from PEN to PE+N
- Unique solution for TN-C/TN-S networks
- Safe disconnectable system
- Clear identification
- Prevents measurement errors
- Avoid reconnection errors
- Screen stickers included in 12 languages
Specifications
| Complies With | IEC® 60439.1;IEC® 61439.1 |
Installation Manual / Instruction Sheet
- Warning
- nVent products shall be installed and used only as indicated in nVent's product instruction sheets and training materials. Instruction sheets are available at www.nvent.com and from your nVent customer service representative. Improper installation, misuse, misapplication or other failure to completely follow nVent's instructions and warnings may cause product malfunction, property damage, serious bodily injury and death and/or void your warranty.