nVent CADDY Rod Lock Metal Decking Preset Anchor


nVent CADDY Rod Lock Metal Decking Preset Anchor
Details
Application images
Resources
CAD
Video
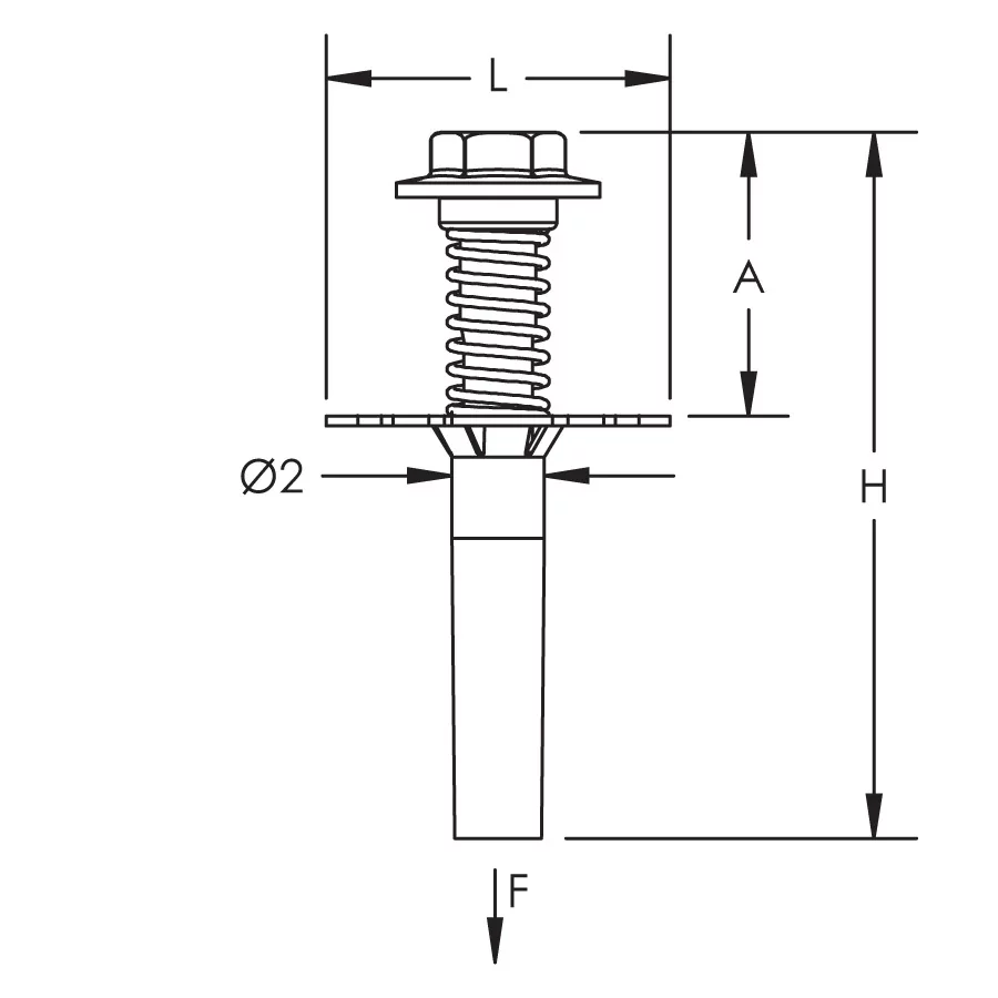
Features
- Set in place through a drilled hole in the metal decking before the concrete is poured
- Eliminate overhead drilling into building structure - nVent CADDY Rod Lock Preset Anchors are cast in place
- Easy "push-to-install" design allows installers to simply push the threaded rod through the mounting hole, instantly holding it in position
- Can be used in lower and upper flute installations
- Works with slightly damaged threads and minor burrs on the threaded rod
- Prefabricated assemblies easily lift and lock into place, helping to save time and money
- Plastic flange acts as insert locator when the forms are removed
- Rated for cracked concrete per ICC-ES AC446 according to ICC-ES ESR-3864 evaluation report
- Suitable for seismic bracing according to ICC-ES ESR-3864 evaluation report
Specifications
Finish | Electrogalvanized |
Material | Steel |
Brochure
Installation Manual / Instruction Sheet
Technical Handbook
Certifications
FM Approved, Pipe Hanger Components
English
FM 1951, 1952, 1953 (December 2016)
ICC-ES ESR-3864
English
AC446

- Warning
- nVent products shall be installed and used only as indicated in nVent's product instruction sheets and training materials. Instruction sheets are available at www.nvent.com and from your nVent customer service representative. Improper installation, misuse, misapplication or other failure to completely follow nVent's instructions and warnings may cause product malfunction, property damage, serious bodily injury and death and/or void your warranty.