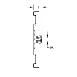
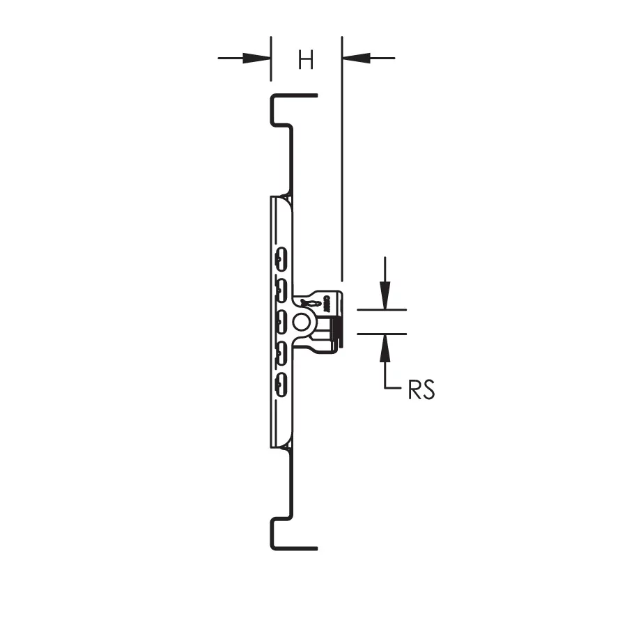
nVent CADDY BCSP Box/Conduit Securement Platform
 Hover to magnify image or click to enlarge
        
        Hover to magnify image or click to enlarge
       
        nVent CADDY BCSP Box/Conduit Securement Platform
The nVent CADDY Box/Conduit Securement Platform (BCSP) is a fast and secure method to install a wide range of junction and electrical boxes/conduit in overhead installations with a single threaded rod drop. Our improved product is ideal for open ceiling environments with limited access to the structure (high ceilings).
The nVent CADDY BCSP is designed to simplify electrical box and conduit installation compared to traditional methods that include multiple connection points and supports, eliminating the need for additional hardware while offering easy, tool-free installation. Our solution provides flexibility on the job by accommodating various sizes and allowing for simple, repeated installation thanks to its self-alignment features.
                                      Details
          
          
        
        
                        
              
        
  
  
      
  
        
                  
   
  
      
    
              
              
        
      
    
              
            
                    
      
          
          
  
  
        
  
    
            
        
        
      
    
    
      
      
    
    
  
  
      
      
    
              
  
        
                                            Application images
          
          
        
        
                                            Resources
          
          
        
        
                        
            
        
  
    
               
  
    
                    
  
  
      
      
  
    
      
    
    
      
  
      
      
      
  
    
      
    
    
      
  
      
  
              
  
  
      
      
  
    
      
    
    
      
  
      
      
      
  
    
      
    
    
      
  
      
  
              
  
  
      
      
  
    
      
    
    
      
  
      
      
      
  
    
      
    
    
      
  
      
  
              
  
  
      
      
  
    
      
    
    
      
  
      
      
      
  
    
      
    
    
      
  
      
  
                
      
 
          
  
      
    
  
        
                                            CAD
          
          
        
        
                        
            
          
  
      
    
  
        
                                            Video
          
          
        
        
                        
            
        
  
  
                                                
            
       
  
          
                                      
            
       Related Products
  
          
                    
      
    
  
        
                                                                          Related Products
          
          
        
        
                        
            
        
  
  
  
      
    
  
        
                                          Features
- Accommodates a wide range of electrical boxes
- Contains embedded rivet nut - no penetrating the electrical box
- Includes electrical box alignment pockets
- Tool-free conduit securement options
- Up to 50% installation time savings over traditional methods
- Supports electrical boxes in 16" stud spacing (BCSP612)
Specifications
| Finish | Pregalvanized | 
| Material | Steel | 
Installation Manual / Instruction Sheet
Certifications
        cUL QCRV7.E165702
      
      
              
          English
        
      
          
      CAN/CSA-C22.2 No. 18.1-04
    
      
        cUL QCRV7.E165702
      
      
      
          
      CAN/CSA-C22.2 No. 18.1-04
    
      
        UL QCRV.E165702
      
      
              
          English
        
      
          
      ANSI/UL 514A
    
      
        UL QCRV.E165702
      
      
      
          
      ANSI/UL 514A
    
      
        UL DWSD.E528373
      
      
              
          English
        
      
          
      ANSI/UL 2239
    
      
        UL DWSD.E528373
      
      
      
          
      ANSI/UL 2239
    
      
        UL DWRG.E529130
      
      
              
          English
        
      
          
      ANSI/UL 2239
    
      
        UL DWRG.E529130
      
      
      
          
      ANSI/UL 2239
    
      

- Warning
- nVent products shall be installed and used only as indicated in nVent's product instruction sheets and training materials. Instruction sheets are available at www.nvent.com and from your nVent customer service representative. Improper installation, misuse, misapplication or other failure to completely follow nVent's instructions and warnings may cause product malfunction, property damage, serious bodily injury and death and/or void your warranty.
 
                 
                 
             
             
             
             
             
             
             
             
             
             
             
             
             
             
             
             
             
             
             
             
             
             
             
             
             
             
             
             
             
             
             
             
            