Skip to main content
Please Select Your Country/Language Preferences

PH34810.jpg image Hover to magnify image or click to enlarge

P9 Position Transition Coupler, Plain

Need technical support or a quote? We're here to help.
Contact Us Where to Buy
Details

Features

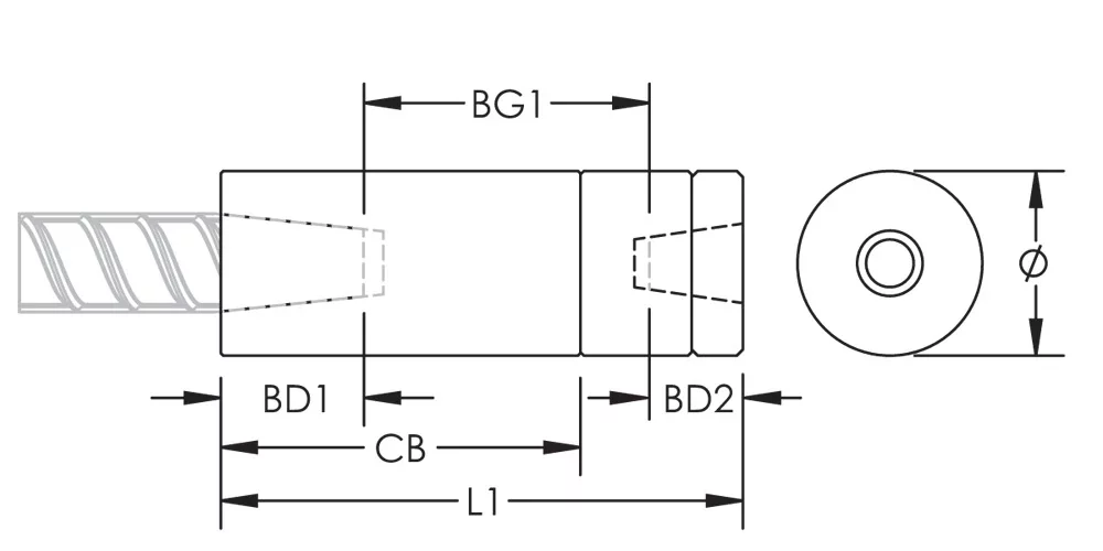
Specifications

Finish Plain
Material Steel
100% U.S. Domestic Content Yes
Data Copied
Metric   |   Imperial
Designed to Meet AASHTO;ABNT NBR 8548:1984;ACI 318 Type 1 (125% Specified Yield);ACI 318 Type 2 (Specified Tensile);ACI 349;ACI 359;AS3600

Diagrams

Resources CAD
Warning
nVent products shall be installed and used only as indicated in nVent's product instruction sheets and training materials. Instruction sheets are available at www.nvent.com and from your nVent customer service representative. Improper installation, misuse, misapplication or other failure to completely follow nVent's instructions and warnings may cause product malfunction, property damage, serious bodily injury and death and/or void your warranty.
Need technical support or a quote? We're here to help.
Contact Us Where to Buy