Support Structurel Universel
Survoler pour zoomer ou cliquer pour agrandir
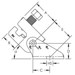
Support Structurel Universel
This code-compliant Structural Attachment is part of the nVent CADDY line of innovative rigid bracing system, designed to provide superior performance and meet the highest seismic load requirements. Its versatile design allows quick and easy installation directly to concrete, wood, bar joist or I-beam adapters and is compatible with 1” through 2” brace pipes. Its snap-off bolt makes inspection of seismic sway braces simple.
Détails
Images d'application
Ressources
Vidéo
Fonctions
- La conception universelle de ce produit lui permet de se fixer directement sur le béton, le bois, les adaptateurs pour poutrelle ou pour poutres en I
- La graduation angulaire permet de connaitre l’angle d’installation de l’élément de renfort
- Les boulons sécables (à tête auto-cassante) facilitent l’installation et l’inspection des attaches stabilisatrices parasismiques
- Compatible avec les renforts parasismiques pour tuyau de 1 à 2 po afin de limiter l’inventaire
- Sa forme profilée minimise l’effet de levier sur les fixations pour béton
- Conforme à la norme NFPA® 13 telle que pré-validée pour des applications sismiques
- Testé selon la Spécification FM®
- FM Specification Tested with the following brace members: Type A Solid Strut (12 gauge or thicker), 1-2 in Sch40/EN 10255H Pipe, 1 in EMT Conduit, and 1 in Rigid Conduit
Spécifications
| Finition | Électro-galvanisé |
| Matériau | Acier |
| Charges FM | ||||
| Référence | Capacité horizontale par installation vue d’en haut | |||
| 30°- 44° | 45°- 59° | 60°- 74° | 75°- 90° | |
| CSBU1xx | 7510 N | 9830 N | 11830 N | 13740 N |
| CSBU2xx | 6580 N | 10180 N | 12720 N | 13740 N |
| CSBU58xx | 6580 N | 9830 N | 11830 N | 13740 N |
Catalogue
Manuel d'installation / Fiche d'instructions
Prospectus
Certifications
AON Fire Protection, Seismic Bracing Components
English
NZS 4541:2020, NZS 4515:2009
cUL VGMY7.EX3956
English
ULC/ORD-C203A
cUL VGMY7.EX3956
ULC/ORD-C203A
UL VGMY.EX3956
English
UL 203A
UL VGMY.EX3956
UL 203A
FM Tested CSB/CSBS/CSBU
English
ANSI/FM 1950
FM Approved, Seismic
English
FM 1950-2013

- Avertissement
- Les produits nVent doivent être installés et utilisés uniquement comme indiqué dans les feuilles d'instructions et les documents de formation de nVent. Les feuilles d'instructions sont disponibles sur www.nvent.com et auprès de votre représentant du service client nVent. Une installation incorrecte, une mauvaise utilisation, une mauvaise application ou tout autre défaut de respect total des instructions et des avertissements de nVent peut entraîner une défaillance du produit, des dommages matériels, des blessures corporelles graves et la mort et/ou annuler votre garantie.