Adjustable I-Beam Adapter


Adjustable I-Beam Adapter
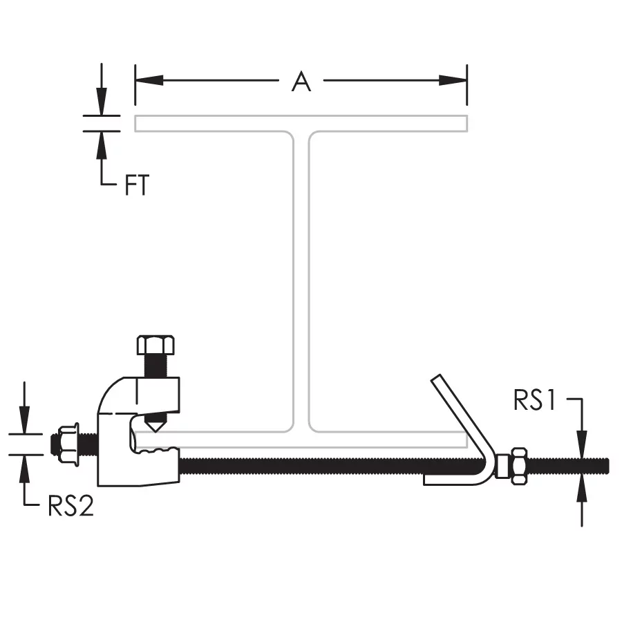
This code-compliant Structural Attachment is part of the nVent CADDY line of innovative rigid bracing system, designed to provide superior performance and meet the highest seismic load requirements. Its innovative design allows quick and easy installation onto a wide range of steel I-Beams. It is ready to use out of the box, eliminating the need for pre-assembly or loose hardware and its snap-off bolts make inspection of seismic sway braces simple.
Details
Application images
Resources
Video
Related Products
Features
- No loose parts
- No assembly required
- Snap-off bolt head helps enable easy installation and inspection of seismic sway braces
- Meets NFPA®-13 requirements for seismic sway bracing
- FM® Specification Tested
Specifications
Finish | Electrogalvanized |
Material | Steel |
UL Loads | ||||
Part Number | Structure Attachment Fitting | Flange Thickness | Brace Member | Load Rating |
CSBS3xxx | CSBU1xxx | 6 - 8 mm | DN25 - DN50 Sch. 40 NPS | 6672 N |
8 - 19 mm | 7561 N | |||
CSBURC12 | 6 - 19 mm | CSB12CBL | 1859 N | |
CSB18CBL | 3434 N | |||
CSB36CBL | 4893 N | |||
CSBS4xxx | CSBU1xxx | 6 - 8 mm | DN25 - DN50 Sch. 40 NPS | 6672 N |
8 - 19 mm | 7561 N | |||
CSBURC12 | 6 - 19 mm | CSB12CBL | 1859 N | |
CSB18CBL | 3434 N | |||
CSB36CBL | 4893 N | |||
CSBS5xxx | CSBU1xxx | 6 - 19 mm | DN25 - DN50 Sch. 40 NPS | 7561 N |
CSBURC12 | 6 - 19 mm | CSB12CBL | 1859 N | |
CSB18CBL | 3434 N | |||
CSB36CBL | 4893 N |
FM Loads | ||||||||
Part Number | Horizontal Capacity per Installation Angle from Vertical | |||||||
Perpendicular to Structure | Parallel to Structure | |||||||
30°- 44° | 45°- 59° | 60°- 74° | 75°- 90° | 30°- 44° | 45°- 59° | 60°- 74° | 75°- 90° | |
CSBS3xxx | 5240 N | 9830 N | 12580 N | 13070 N | 3640 N | 6130 N | 9250 N | 13380 N |
CSBS4xxx | 5240 N | 9830 N | 12580 N | 13070 N | 3640 N | 6130 N | 9250 N | 13380 N |
CSBS5xxx | 5420 N | 9510 N | 11470 N | 12760 N | 4890 N | 8090 N | 9740 N | 11920 N |
Installation Manual / Instruction Sheet
Certifications
cUL VGMY7.EX3956
English
ULC/ORD-C203A
cUL VGMY7.EX3956
ULC/ORD-C203A
UL VGMY.EX3956
English
UL 203A
UL VGMY.EX3956
UL 203A
FM Tested CSB/CSBS/CSBU
English
ANSI/FM 1950
FM Approved, Seismic
English
FM 1950-2013
AON Fire Protection, Seismic Bracing Components
English
NZS 4541:2020, NZS 4515:2009

- Warning
- nVent products shall be installed and used only as indicated in nVent's product instruction sheets and training materials. Instruction sheets are available at www.nvent.com and from your nVent customer service representative. Improper installation, misuse, misapplication or other failure to completely follow nVent's instructions and warnings may cause product malfunction, property damage, serious bodily injury and death and/or void your warranty.