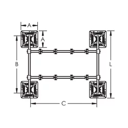
nVent CADDY Pyramid Equipment Support Kit, 4 Post Base
Hover to magnify image or click to enlarge
nVent CADDY Pyramid Equipment Support Kit, 4 Post Base
Details
Application images
Resources
CAD
Video
Features
- Kit includes post-base assemblies, frame and equipment-support clamps
- Assembles and adjusts to size and height in minutes by one person with one tool
- Innovative crossbar and equipment-support clamps enable quick assembly
- Integral foam pad provides gentle interface for all roof types
- Hot-dip galvanized and UV stabilized for long lasting performance
- Assembled support can be lifted as one unit and easily relocated
Specifications
Installation Manual / Instruction Sheet
Certifications

- Warning
- nVent products shall be installed and used only as indicated in nVent's product instruction sheets and training materials. Instruction sheets are available at www.nvent.com and from your nVent customer service representative. Improper installation, misuse, misapplication or other failure to completely follow nVent's instructions and warnings may cause product malfunction, property damage, serious bodily injury and death and/or void your warranty.