S13 Metric Parallel Bolt Coupler, Stainless Steel


S13 Metric Parallel Bolt Coupler, Stainless Steel
Stainless steel couplers are specified whenever corrosive environmental conditions combine with the need for high load-bearing strength. nVent LENTON stainless steel couplers are commonly used when the construction materials may come into contact with de-icing salts, salt water or marine environments. Typical applications include bridges and bridge decks.
Details
Resources
CAD
Features
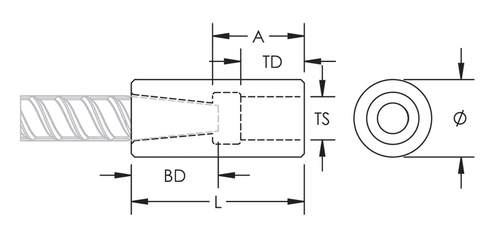
- Provides continuity between reinforcing bar and ISO® 965 metric all-thread rod or bolts
- May be used to anchor load-bearing equipment to foundations, columns or walls
- Machined from non-weldable grades of material, but can be tack welded
Specifications
Finish | Plain |
Material | Stainless Steel Duplex 2205 (EN 1.4462) |
Design Version | Worldwide (Globally Available Materials) |
Designed to Meet | AASHTO;ABNT NBR 8548:1984;ACI 318 Type 1 (125% Specified Yield);ACI 318 Type 2 (Specified Tensile);ACI 349;ACI 359;AS3600 |
Bolt-to-Coupler Capacity (kN) | |||||
Part Number | Grade 4.8 | Grade 5.8 | Grade 8.8 | Grade 10.9 | Grade 12.9 |
EL12S13SSN | 62.7 | 78.3 | 109.8 | 109.8 | 109.8 |
EL16S13SSN | 97.9 | 122.4 | 162.9 | 162.9 | 162.9 |
EL20S13SSN | 141 | 176.3 | 282 | 332.3 | 332.3 |
EL25S13SSN | 224.2 | 280.3 | 448.5 | 560.5 | 560.5 |
EL32S13ASSN | 448.4 | 560.5 | 896.7 | 1120.9 | 1197.1 |
EL32S13SSN | 390.3 | 487.9 | 780.6 | 783.8 | 783.8 |
Brochure
Installation Manual / Instruction Sheet
Technical Handbook
- Warning
- nVent products shall be installed and used only as indicated in nVent's product instruction sheets and training materials. Instruction sheets are available at www.nvent.com and from your nVent customer service representative. Improper installation, misuse, misapplication or other failure to completely follow nVent's instructions and warnings may cause product malfunction, property damage, serious bodily injury and death and/or void your warranty.