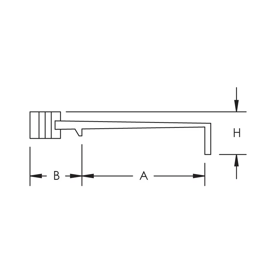
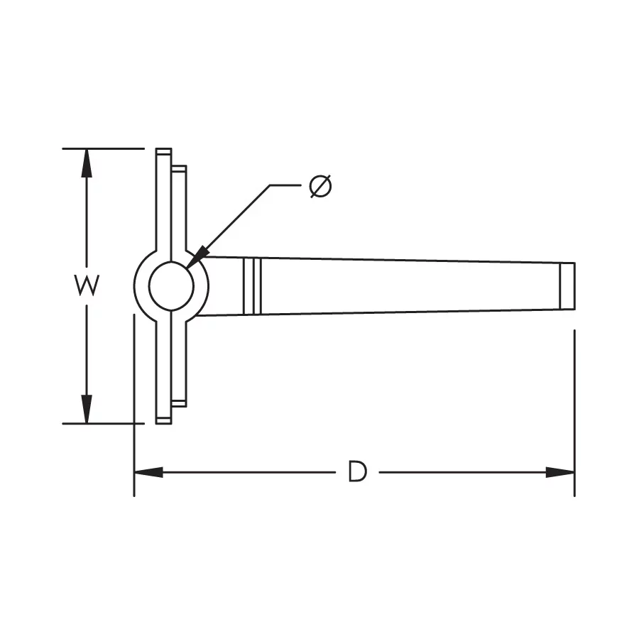
Industrial Stack Lay-in Terminal Holder


Industrial Stack Lay-in Terminal Holder
Details
Resources
Features
- Air terminal or cable holder for lay-in brick construction
Specifications
Material | Brass |
Certifications
E202878-Combined_CoC OVTK.E202878
English
ANSI/UL 96
E202878-Combined_CoC OVTK7.E202878
English
ANSI/CAN/UL 96
- Warning
- nVent products shall be installed and used only as indicated in nVent's product instruction sheets and training materials. Instruction sheets are available at www.nvent.com and from your nVent customer service representative. Improper installation, misuse, misapplication or other failure to completely follow nVent's instructions and warnings may cause product malfunction, property damage, serious bodily injury and death and/or void your warranty.