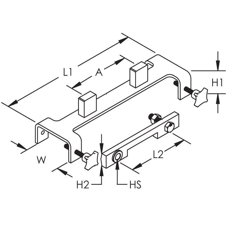
Drill Distance Gauge, Two Plates
Hover to magnify image or click to enlarge
Drill Distance Gauge, Two Plates
Details
Application images
Resources
Video
Related Products
Features
- Used for making precise drill hole spacings of ± 1 mm (0.039")
- Common applications include axle counters and wheel sensors
Specifications
| Material | Steel |

- Warning
- nVent products shall be installed and used only as indicated in nVent's product instruction sheets and training materials. Instruction sheets are available at www.nvent.com and from your nVent customer service representative. Improper installation, misuse, misapplication or other failure to completely follow nVent's instructions and warnings may cause product malfunction, property damage, serious bodily injury and death and/or void your warranty.