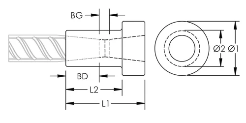
One-Piece Flange Coupler
Hover to magnify image or click to enlarge
One-Piece Flange Coupler
One-piece flange couplers are ideal for eliminating protruding dowel bars in segmental pour applications. The flange side of the coupler is typically tack or seal welded to cast-in-place structural steel walls commonly found in most modern nuclear reactor designs.
Details
Resources
CAD
Features
- Designed to splice the same diameter bars where the second bar can be rotated and is not restricted in its axial direction
- Tack welding allows the coupler to be used for positioning of a bent bar on the first bar
- Installs quickly and easily
Specifications
| Finish | Plain |
| Material | Steel |
| Designed to Meet | AASHTO;ABNT NBR 8548:1984;ACI 318 Type 1 (125% Specified Yield);ACI 318 Type 2 (Specified Tensile);ACI 349;ACI 359;AS3600 |
Installation Manual / Instruction Sheet
Technical Handbook
- Warning
- nVent products shall be installed and used only as indicated in nVent's product instruction sheets and training materials. Instruction sheets are available at www.nvent.com and from your nVent customer service representative. Improper installation, misuse, misapplication or other failure to completely follow nVent's instructions and warnings may cause product malfunction, property damage, serious bodily injury and death and/or void your warranty.