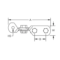
Strut Seismic Hinge Bracket Assembly
Hover to magnify image or click to enlarge
Strut Seismic Hinge Bracket Assembly
Thanks for your submission. A customer service agent will be in touch soon to help you further.
Details
Application images
Resources
CAD
Video
Features
- Used for installations where strut brace is parallel to structure
- One wrench size fits all required hardware, eliminating the need to change tools
- Shear-off head helps ensure correct torque and simplifies inspection
Specifications
| Finish | Electrogalvanized |
| Material | Steel |
| FM Loads | |||||
| Part Number | Brace Member | Horizontal Capacity per Installation Angle from Vertical | |||
| 30° - 44° | 45° - 59° | 60° - 74° | 75° - 90° | ||
| CSBUS1PA | 41 x 41 Strut Channel | 5160 N | 8290 N | 8290 N | 7470 N |
| CSBUS2PA | 41 x 41 Strut Channel | 5160 N | 8290 N | 8290 N | 7470 N |
Flyer
Installation Manual / Instruction Sheet
Certifications

- Warning
- nVent products shall be installed and used only as indicated in nVent's product instruction sheets and training materials. Instruction sheets are available at www.nvent.com and from your nVent customer service representative. Improper installation, misuse, misapplication or other failure to completely follow nVent's instructions and warnings may cause product malfunction, property damage, serious bodily injury and death and/or void your warranty.