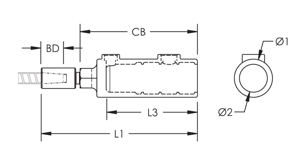
nVent LENTON Interlok Position Transition Grout-Fill Coupler
Hover to magnify image or click to enlarge
nVent LENTON Interlok Position Transition Grout-Fill Coupler
Details
Application images
Resources
CAD
Features
- Designed to splice different diameter bars
- Positional feature allows the threaded coupler end to telescope out to close a gap between forms and to allow alignment of the grout tubes
- Over-sized cavity allows for greater field tolerance
- Taper-threaded end helps prevent movement of the reinforcing bars and eliminate misalignment
- Requires less grout than most competitive systems
Specifications
| Designed to Meet | AASHTO;ABNT NBR 8548:1984;ACI 318 Type 1 (125% Specified Yield);ACI 318 Type 2 (Specified Tensile);ACI 349;ACI 359;AS3600 |
Installation Manual / Instruction Sheet
Technical Handbook
- Warning
- nVent products shall be installed and used only as indicated in nVent's product instruction sheets and training materials. Instruction sheets are available at www.nvent.com and from your nVent customer service representative. Improper installation, misuse, misapplication or other failure to completely follow nVent's instructions and warnings may cause product malfunction, property damage, serious bodily injury and death and/or void your warranty.