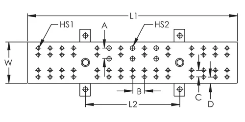
Telecom Main Grounding Busbar
Hover to magnify image or click to enlarge
Telecom Main Grounding Busbar
Details
Resources
CAD
Features
- Meets TIA-607-C and TIA-607-D and conforms to BICSI® recommendations
- Complies with NEMA® standards
- Accepts two hole lugs with 5/16" or 7/16" bolt holes (hardware not included)
- Telecom grounding busbar splice kits are available to extend the length of the busbar
Specifications
| Thickness (T) | 1/4" |
| Width (W) | 4" |
| Thickness (T) | 6.35 mm |
| Width (W) | 101.6 mm |
| Material | Copper |
Additional Reference
Brochure
Certifications
cUL KDER7.E220029
English
CSA C22.2 No. 41
cUL KDER7.E220029
CSA C22.2 No. 41
UL KDER.E220029
English
ANSI/UL 467
UL KDER.E220029
ANSI/UL 467
- Warning
- nVent products shall be installed and used only as indicated in nVent's product instruction sheets and training materials. Instruction sheets are available at www.nvent.com and from your nVent customer service representative. Improper installation, misuse, misapplication or other failure to completely follow nVent's instructions and warnings may cause product malfunction, property damage, serious bodily injury and death and/or void your warranty.