Skip to main content

Please Select Your Country/Language Preferences

PH38630.jpg image Hover to magnify image or click to enlarge

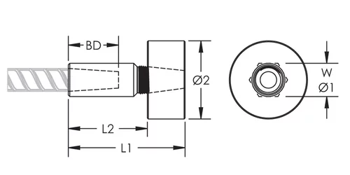
D14A Mechanical Anchor with Extension

The nVent LENTON D14A Mechanical Anchor with Extension provides a method of splicing and anchoring reinforcing bar in segmental concrete construction applications that have limited space or are severely congested. The large head significantly reduces required embedment lengths. The anchors are a combination of standard nVent LENTON Terminator D14 Mechanical Anchors and ELFM Female-to-Male Extensions.

Typically used in thin wall, wall/slab and beam/column applications, the D14A Mechanical Anchor with Extension easily attaches to the form panels using standard nVent LENTON accessories. When the form is stripped, the protected threaded end of the coupler is exposed. Simply remove the protective cap or accessory and install the subsequent nVent LENTON taper threaded dowel bar. This system eliminates hooked bar congestion, protruding dowels and the need to drill holes in expensive formwork.

Read more Read less Print This Page
Need technical support or a quote? We're here to help.
Contact Us Where to Buy
Details

Features

Specifications

Finish Plain
Material Steel
Data Copied
Metric   |   Imperial
Designed to Meet ACI 318;AS3600;ASTM A970

Diagrams

Application images Resources CAD
Related Products
Warning
nVent products shall be installed and used only as indicated in nVent's product instruction sheets and training materials. Instruction sheets are available at www.nvent.com and from your nVent customer service representative. Improper installation, misuse, misapplication or other failure to completely follow nVent's instructions and warnings may cause product malfunction, property damage, serious bodily injury and death and/or void your warranty.
Need technical support or a quote? We're here to help.
Contact Us Where to Buy