nVent CADDY Rod Lock Bottom-Mount Duct Bracket


nVent CADDY Rod Lock Bottom-Mount Duct Bracket
Details
Application images
Resources
CAD
Video
Features
- Ideal for modular assembly – allows attachment of brackets to sections of duct while safely on the ground
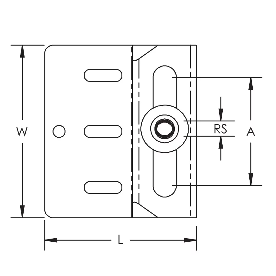
- Slotted holes in bracket allow for horizontal adjustment of the bracket relative to the duct
- Easy "push-to-install" design allows installers to simply push the threaded rod through the mounting hole, instantly holding it in position
- Ready to use out of the box and eliminates the need for cutting and preparing sections of strut, angle iron, or strap
- Integrated adjustment nut enables fine tuning the system height up or down
- Lock nut can be finger tightened, locking the rod in place
- Extremely useful in tight spaces where wrenches are difficult to use
- Includes self-tapping sheet metal screws to attach bracket to duct
Specifications
Brochure
Installation Manual / Instruction Sheet
Technical Handbook
Certifications
SMACNA Duct Brackets
English
HVAC‐DCS 3rd edition, Chapter 5, Tables 5‐1 and 5‐1M


- Warning
- nVent products shall be installed and used only as indicated in nVent's product instruction sheets and training materials. Instruction sheets are available at www.nvent.com and from your nVent customer service representative. Improper installation, misuse, misapplication or other failure to completely follow nVent's instructions and warnings may cause product malfunction, property damage, serious bodily injury and death and/or void your warranty.