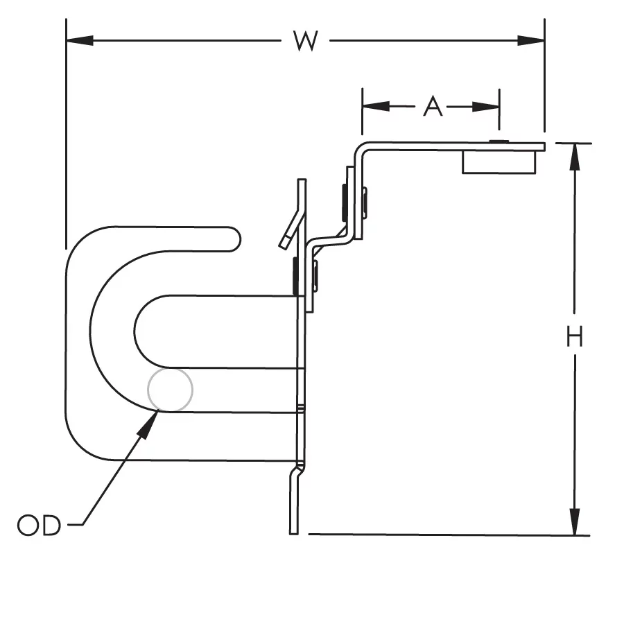
MC/AC Cable Support with Nail Gun Bracket
 Hover to magnify image or click to enlarge
        
        Hover to magnify image or click to enlarge
       
        MC/AC Cable Support with Nail Gun Bracket
                                      Details
          
          
        
        
                        
              
        
  
  
      
  
        
                  
   
  
      
    
              
              
        
      
    
              
            
                    
  
  
        
  
    
            
        
        
      
    
    
      
      
    
    
  
  
      
      
    
              
            
        
      
    
              
  
        
                                            Application images
          
          
        
        
                                            Resources
          
          
        
        
                        
            
        
  
    
               
 
          
  
      
    
  
        
                                                                                                                                                                  
Features
- Neatly isolates, supports and secures MC/AC cables
- Properly spaces MC/AC cable to help eliminate bundling and NEC® & CEC derating issues
- Results in a "neat and workmanlike" installation
- Complete with concrete nail gun insert bracket
- Clips onto nozzle of gas or battery-actuated nail guns allowing for hands-off installation at structure or from the floor using a pole
- Longer leg angle bracket for tool clearance
- Quickly and easily attaches to concrete, steel or composite metal decking
Specifications
Brochure
- Warning
- nVent products shall be installed and used only as indicated in nVent's product instruction sheets and training materials. Instruction sheets are available at www.nvent.com and from your nVent customer service representative. Improper installation, misuse, misapplication or other failure to completely follow nVent's instructions and warnings may cause product malfunction, property damage, serious bodily injury and death and/or void your warranty.
 
             
            