Fixation pour poutrelle


Fixation pour poutrelle
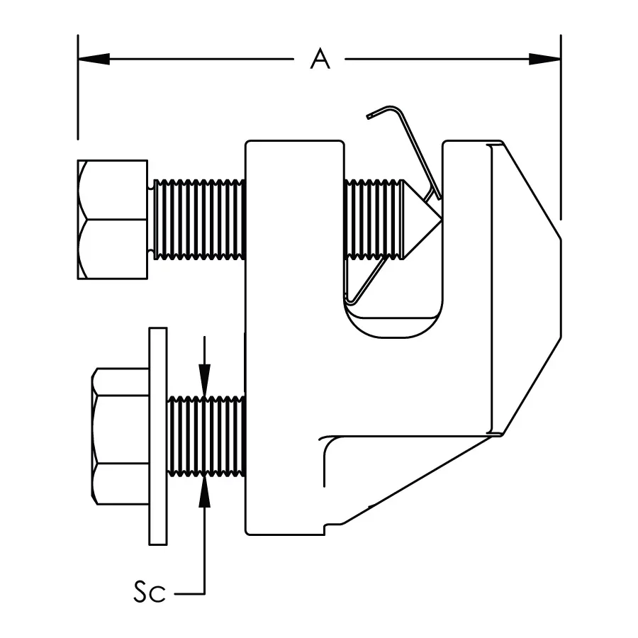
Détails
Images d'application
Ressources
CAD
Produits connexes
Fonctions
- Peut être installé sur poutrelles ou poutres en I
- Le dispositif de retenue à ressort facilite le positionnement
- Les boulons sécables (à tête auto-cassante) facilitent l’installation et l’inspection des attaches stabilisatrices parasismiques
- Aucun assemblage nécessaire
- Aucune pièce détachée
- Conforme aux exigences NFPA®-13 relatives au contreventement parasismique
- Conforme aux exigences CEN/TS 17551 :2021 pour le contreventement sismique
Spécifications
Charges UL | ||||
Référence | Montage de la fixation pour structure | Epaisseur du Rebord | Élément de renfort | Capacité de charge |
CSBBARJ | CSBUNIV050 | 6 - 13 mm | DN25 - DN50 Sch. 40 NPS | 4004 N |
CSBURC12 | 6 - 13 mm | CSB12CBL | 1859 N | |
CSB18CBL | 3434 N | |||
CSB36CBL | 4893 N |
Charges FM | |||||
Sens du renfort | Dimensions du tuyau | Capacité horizontale par installation vue d’en haut | |||
30°- 44° | 45°- 59° | 60°- 74° | 75°- 90° | ||
Parallèle | N/A | 6270 N | 9385 N | 11300 N | 12590 N |
Perpendiculaire | N/A | 7740 N | 7605 N | 9165 N | 10230 N |
Catalogue
Manuel d'installation / Fiche d'instructions
Prospectus
Étude de cas
Certifications
AON Fire Protection, Rigid Seismic NZS 4541:2020
English
NZS 4515:2009
cUL VGMY7.EX3956
English
ULC/ORD-C203A
cUL VGMY7.EX3956
ULC/ORD-C203A
UL VGMY.EX3956
English
UL 203A
UL VGMY.EX3956
UL 203A
FM Approved, Seismic
English
FM 1950-2013
- Avertissement
- Les produits nVent doivent être installés et utilisés uniquement comme indiqué dans les feuilles d'instructions et les documents de formation de nVent. Les feuilles d'instructions sont disponibles sur www.nvent.com et auprès de votre représentant du service client nVent. Une installation incorrecte, une mauvaise utilisation, une mauvaise application ou tout autre défaut de respect total des instructions et des avertissements de nVent peut entraîner une défaillance du produit, des dommages matériels, des blessures corporelles graves et la mort et/ou annuler votre garantie.