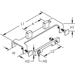
Medidor de distancia de perforación, dos placas
Pase el ratón para ampliar la imagen o haga clic para agrandarla
Medidor de distancia de perforación, dos placas
Detalles
Imágenes de la aplicación
Recursos
Vídeo
Productos relacionados
Características
- Se utiliza para realizar espaciamientos precisos de taladros de ± 1 mm (0,039")
- Las aplicaciones comunes incluyen contadores de ejes y sensores de ruedas
Especificaciones
| Material | Acero |
Folleto

- Advertencia
- Los productos nVent deben instalarse y usarse solo como se indica en las hojas de instrucciones y materiales de capacitación del producto nVent. Instruction sheets are available at www.nvent.com and from your nVent customer service representative. La instalación incorrecta, el mal uso, la aplicación incorrecta u otras fallas en el seguimiento completo de las instrucciones y advertencias de nVent pueden causar el mal funcionamiento del producto, daños a la propiedad, lesiones corporales graves y la muerte y/o anular la garantía.