PH Mordaza de vigueta multiusos


PH Mordaza de vigueta multiusos
Detalles
Imágenes de la aplicación
Recursos
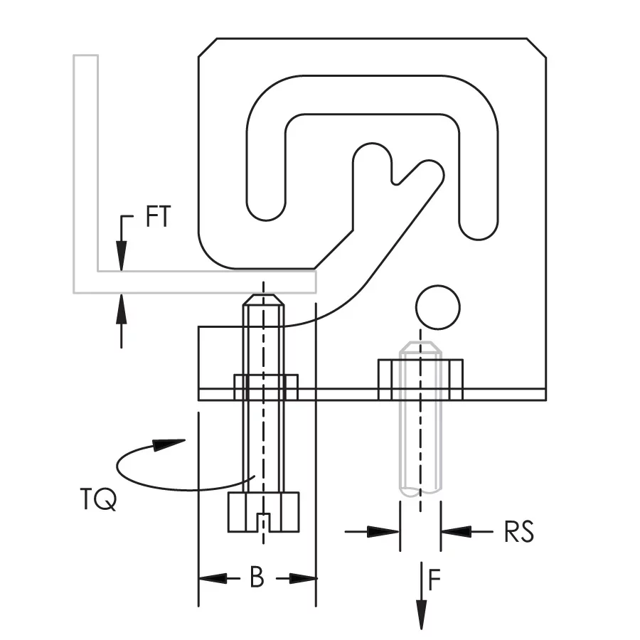
Características
- Se fija a la parte inferior de las viguetas y vigas para soportar la varilla roscada
Especificaciones
Manual de instalación/Hoja de instrucciones
Certificaciones
cUL DWMU7.E165703
CAN/CSA C22.2 No. 18.4-04
UL DWMU.E165703
ANSI/UL 2239
cUL VFXT7.EX2452
English
ULC/ORD-C203
cUL VFXT7.EX2452
ULC/ORD-C203
UL VFXT.EX2452
English
ANSI/UL 203
UL VFXT.EX2452
ANSI/UL 203
- Advertencia
- Los productos nVent deben instalarse y usarse solo como se indica en las hojas de instrucciones y materiales de capacitación del producto nVent. Instruction sheets are available at www.nvent.com and from your nVent customer service representative. La instalación incorrecta, el mal uso, la aplicación incorrecta u otras fallas en el seguimiento completo de las instrucciones y advertencias de nVent pueden causar el mal funcionamiento del producto, daños a la propiedad, lesiones corporales graves y la muerte y/o anular la garantía.