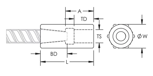
S13 Metric Parallel Bolt Coupler, Plain, Worldwide Design
Hover to magnify image or click to enlarge
S13 Metric Parallel Bolt Coupler, Plain, Worldwide Design
Details
Resources
CAD
Features
- Provides continuity between reinforcing bar and ISO® 965 metric all-thread rod or bolts
- May be used to anchor load-bearing equipment to foundations, columns or walls
- Machined from non-weldable grades of material, but can be tack welded
Specifications
| Finish | Plain |
| Material | Steel |
| Design Version | Worldwide (Globally Available Materials) |
| Designed to Meet | AASHTO;ABNT NBR 8548:1984;ACI 318 Type 1 (125% Specified Yield);ACI 318 Type 2 (Specified Tensile);ACI 349;ACI 359;AS3600 |
| Bolt-to-Coupler Capacity (kN) | |||||
| Part Number | Grade 4.8 | Grade 5.8 | Grade 8.8 | Grade 10.9 | Grade 12.9 |
| EL10S13N | 33.7 | 42.1 | 67.4 | 67.7 | 67.7 |
| EL12S13AN | 224.2 | 280.3 | 448.5 | 526.3 | 526.3 |
| EL12S13N | 62.7 | 78.3 | 109.8 | 109.8 | 109.8 |
| EL14S13N | 77.0 | 96.2 | 154.0 | 192.5 | 193.4 |
| EL16S13N | 97.9 | 122.4 | 162.0 | 162.0 | 162.0 |
| EL18S13N | 121.4 | 151.7 | 242.7 | 303.4 | 364.1 |
| EL20S13AN | 121.4 | 151.7 | 242.7 | 303.4 | 356.8 |
| EL20S13BN | 97.9 | 122.4 | 195.8 | 244.8 | 289.4 |
| EL20S13N | 141.0 | 176.3 | 282.0 | 332.3 | 332.3 |
| EL22S13N | 183.8 | 229.7 | 367.5 | 449.9 | 449.9 |
| EL25S13AN | 141.0 | 176.3 | 282.0 | 352.5 | 422.9 |
| EL25S13BN | 97.9 | 122.4 | 195.8 | 244.8 | 293.8 |
| EL25S13N | 224.2 | 280.3 | 448.5 | 560.5 | 560.5 |
| EL28S13N | 277.4 | 346.8 | 554.8 | 693.6 | 728.0 |
| EL30S13N | 326.7 | 408.4 | 653.4 | 816.7 | 890.7 |
| EL32S13AN | 224.2 | 280.3 | 448.5 | 560.6 | 672.7 |
| EL32S13N | 390.3 | 487.9 | 780.6 | 783.8 | 783.8 |
| EL34S13N | 390.3 | 487.9 | 780.6 | 783.8 | 783.8 |
| EL36S13N | 448.4 | 560.5 | 896.7 | 1120.9 | 1197.1 |
| EL38S13N | 522.4 | 653.0 | 1044.8 | 1054.8 | 1054.8 |
| EL40S13AN | 589.3 | 736.6 | 1178.5 | 1312.4 | 1312.4 |
| EL40S13BN | 326.7 | 408.4 | 653.4 | 816.7 | 980.1 |
| EL40S13CN | 224.2 | 280.3 | 448.5 | 560.6 | 672.7 |
| EL40S13M33N | 522.4 | 653.0 | 1044.8 | 1054.8 | 1054.8 |
| EL40S13N | 522.4 | 653.0 | 1044.8 | 1054.8 | 1054.8 |
| EL50TS13M33N | 812.0 | 1015.0 | 1624.0 | 2030.0 | 2168.3 |
| EL50TS13N | 812.0 | 1015.0 | 1624.0 | 2030.0 | 2168.3 |
Brochure
Installation Manual / Instruction Sheet
Technical Handbook
Certifications
- Warning
- nVent products shall be installed and used only as indicated in nVent's product instruction sheets and training materials. Instruction sheets are available at www.nvent.com and from your nVent customer service representative. Improper installation, misuse, misapplication or other failure to completely follow nVent's instructions and warnings may cause product malfunction, property damage, serious bodily injury and death and/or void your warranty.