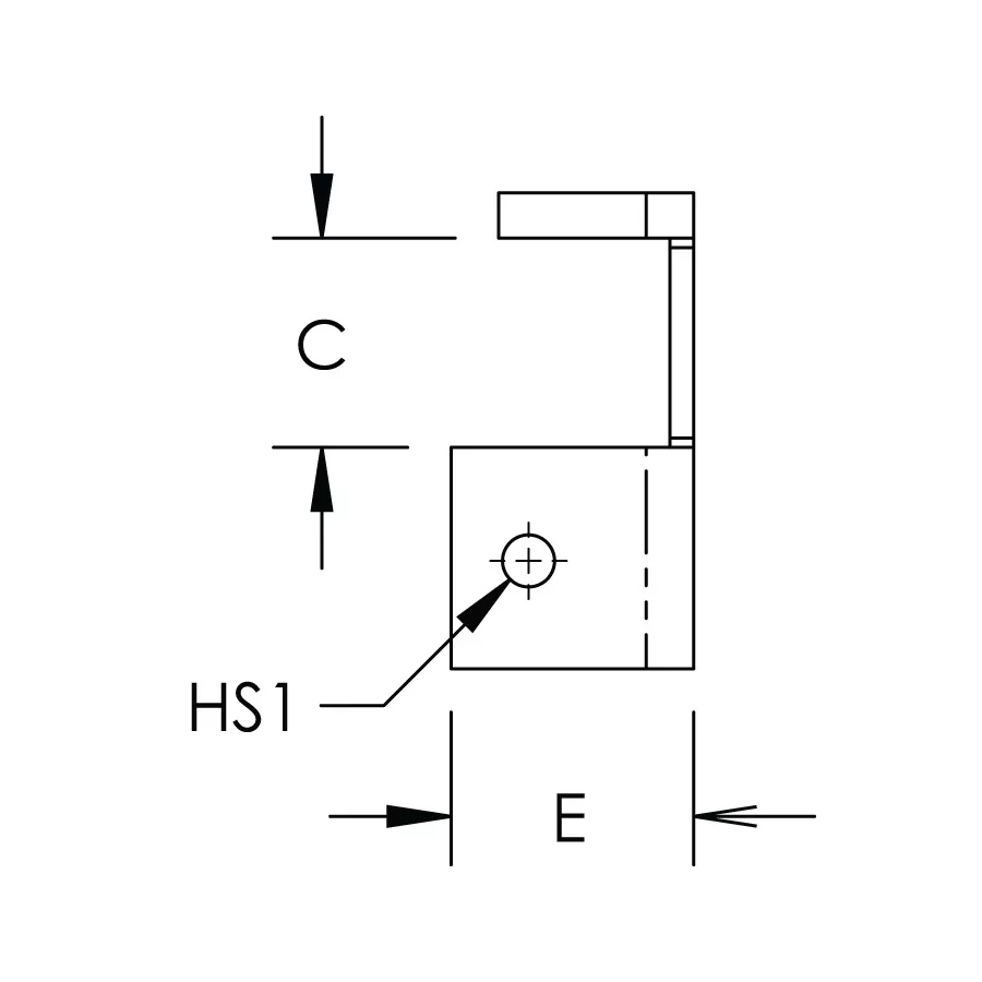
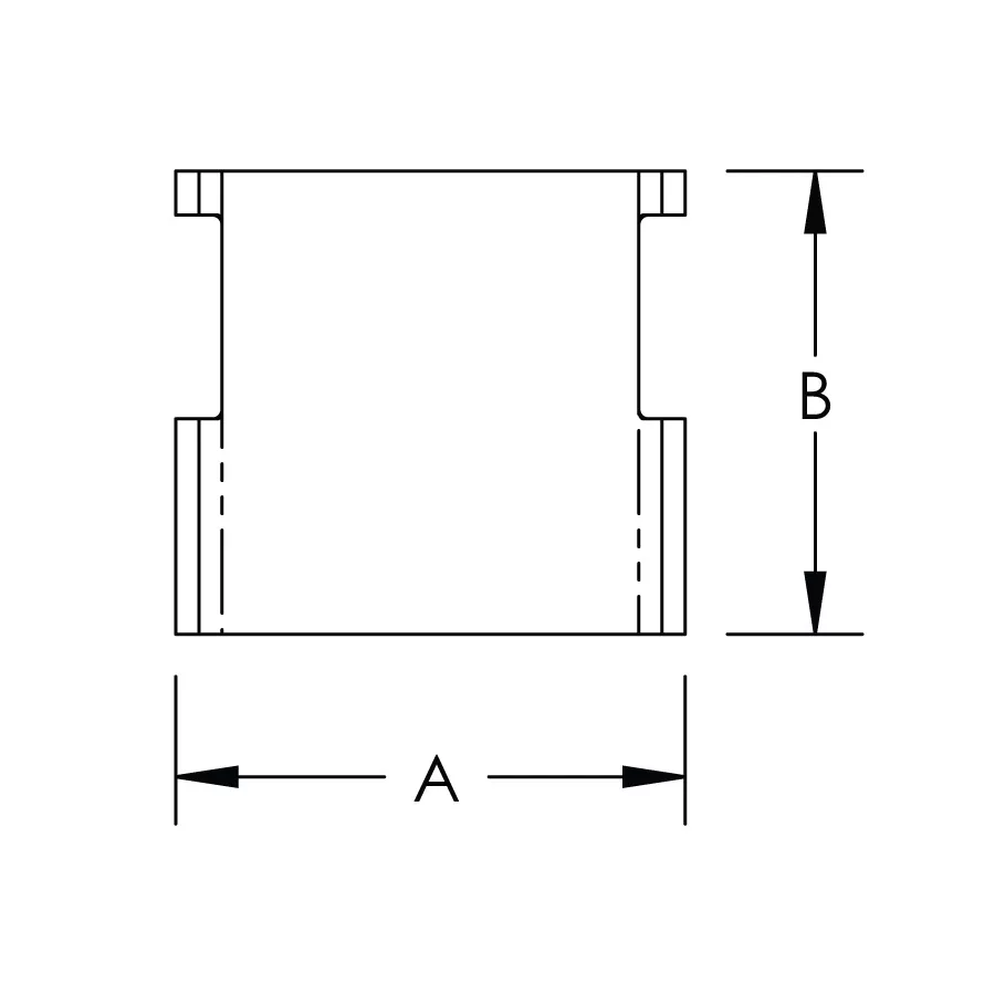
nVent ERIFLEX FleXbus HCBC Plate with PE Connection
Hover to magnify image or click to enlarge
nVent ERIFLEX FleXbus HCBC Plate with PE Connection
Details
Application images
Resources
CAD
Video
Features
- Rigid tinned copper part provides strong electrical contact to maintain braid expansion during compression
- HCBC Plate allows FleXbus Conductor insulation to overlap the connection palm
- HCBC Plate with PE connection allows conductor to be added to interconnect neutral and ground/earth
- Tinned copper allows for copper or aluminum conductor connections
- Installs quickly and easily
- RoHS compliant
Specifications
| Material | Copper |
| Finish | Tinned |
Engineering Specification
Installation Manual / Instruction Sheet
Technical Handbook
Certifications
ERIFLEX FleXbus LSHFFR CC13323
English
IEC 61034-2; ISO 5659-2; UL 2885; IEC 60754-1; IEC 62821-2; UL 94; IEC 60695-2
IEC 61439-1 FleXbus 1X01084-06
English,French
IEC 61439-1
UR, QEUY2.E125470, FleXbus HCBC Clamps/Plates
English
ANSI/UL 67, ANSI/UL 891
UKCA, ERIFLEX FleXbus
English
EN IEC 61439-1; EN IEC 60364; EN IEC 61914
FleXbus Temp. Rise
English
IEC 61439-1, IEC 60364
CE, ERIFLEX FleXbus
English
EN IEC 61439-1; EN IEC 60364; EN IEC 61914






- Warning
- nVent products shall be installed and used only as indicated in nVent's product instruction sheets and training materials. Instruction sheets are available at www.nvent.com and from your nVent customer service representative. Improper installation, misuse, misapplication or other failure to completely follow nVent's instructions and warnings may cause product malfunction, property damage, serious bodily injury and death and/or void your warranty.