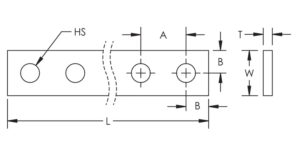
DPCB Punched Plain Copper Busbar, Single
Hover to magnify image or click to enlarge
DPCB Punched Plain Copper Busbar, Single
Details
Resources
CAD
Related Products
Features
- Heavy-duty power connection
- Circuit breaker, generator and prefabricated power network conductor
- Alternative to large and multiple cables
- Earth/ground connection
- Power distribution
- Rounded edges
Specifications
- Warning
- nVent products shall be installed and used only as indicated in nVent's product instruction sheets and training materials. Instruction sheets are available at www.nvent.com and from your nVent customer service representative. Improper installation, misuse, misapplication or other failure to completely follow nVent's instructions and warnings may cause product malfunction, property damage, serious bodily injury and death and/or void your warranty.