AF Series Z Purlin Clip


AF Series Z Purlin Clip
Details
Application images
Resources
CAD
Video
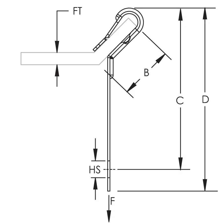
Features
- Angle flange clip for wire or chain suspensions from Z purlins
- Installs from floor with VAFT tool and conduit
Specifications
Brochure
Certifications
cUL DWMU7.E165703
CAN/CSA C22.2 No. 18.4-04
UL DWMU.E165703
ANSI/UL 2239

- Warning
- nVent products shall be installed and used only as indicated in nVent's product instruction sheets and training materials. Instruction sheets are available at www.nvent.com and from your nVent customer service representative. Improper installation, misuse, misapplication or other failure to completely follow nVent's instructions and warnings may cause product malfunction, property damage, serious bodily injury and death and/or void your warranty.