Skip to main content
Please Select Your Country/Language Preferences

PH34341.jpg image Hover to magnify image or click to enlarge

Snap Close Metal Deck Conduit Clamp

Need technical support or a quote? We're here to help.
Contact Us Where to Buy
Details

Features

Specifications

Data Copied
Metric   |   Imperial

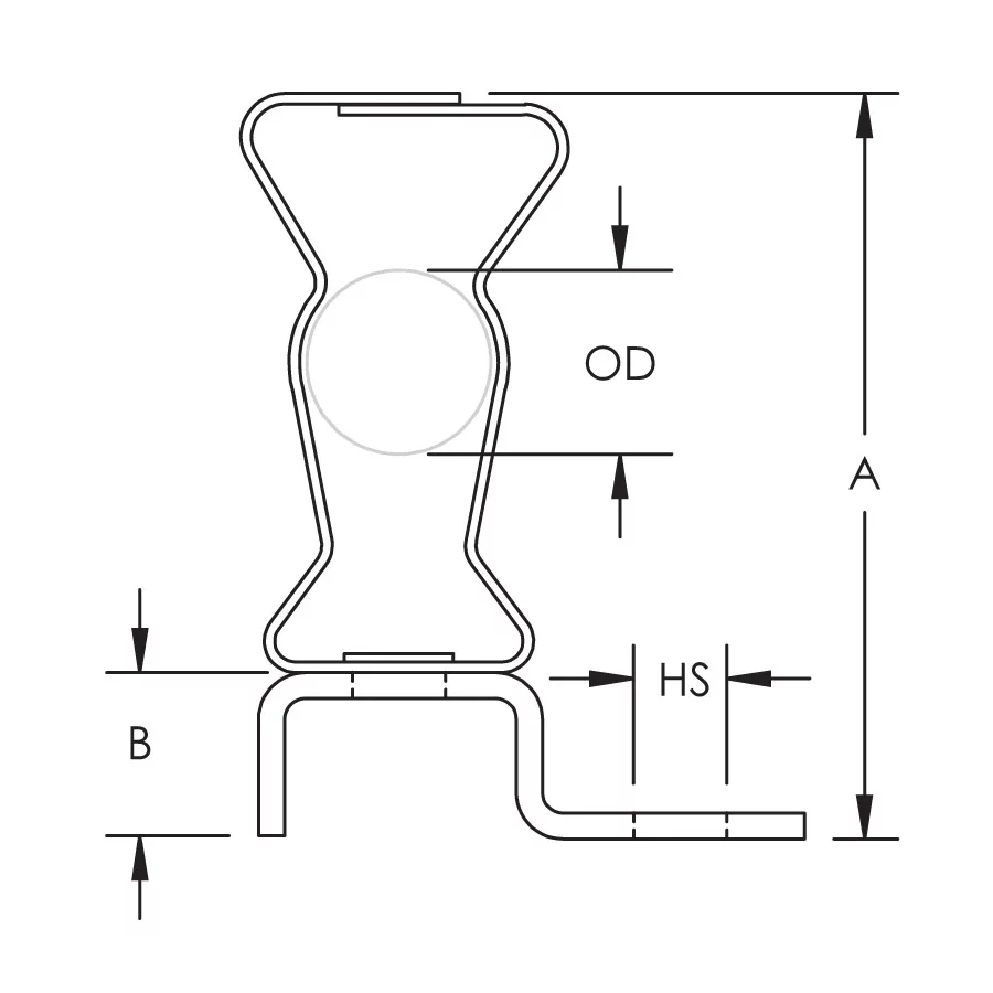
Diagrams

Resources Video
CADDY TV Episode 16 - Rick Gets Serious about CADDY ARMOUR and Spring Steel

Play

Warning
nVent products shall be installed and used only as indicated in nVent's product instruction sheets and training materials. Instruction sheets are available at www.nvent.com and from your nVent customer service representative. Improper installation, misuse, misapplication or other failure to completely follow nVent's instructions and warnings may cause product malfunction, property damage, serious bodily injury and death and/or void your warranty.
Need technical support or a quote? We're here to help.
Contact Us Where to Buy