Skip to main content

Please Select Your Country/Language Preferences

PH32416.jpg image Hover to magnify image or click to enlarge
Need technical support or a quote? We're here to help.
Contact Us Where to Buy
Details

Features

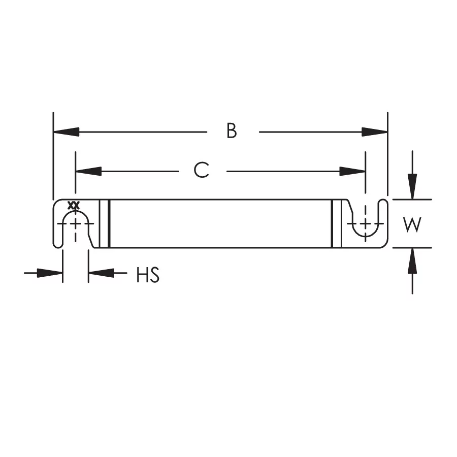
Specifications

Finish Hot-Dip Galvanized
Material Steel
Data Copied
Metric   |   Imperial

Diagrams

Application images Resources CAD
Warning
nVent products shall be installed and used only as indicated in nVent's product instruction sheets and training materials. Instruction sheets are available at www.nvent.com and from your nVent customer service representative. Improper installation, misuse, misapplication or other failure to completely follow nVent's instructions and warnings may cause product malfunction, property damage, serious bodily injury and death and/or void your warranty.
Need technical support or a quote? We're here to help.
Contact Us Where to Buy