Skip to main content

Please Select Your Country/Language Preferences

PH36023.jpg image Hover to magnify image or click to enlarge

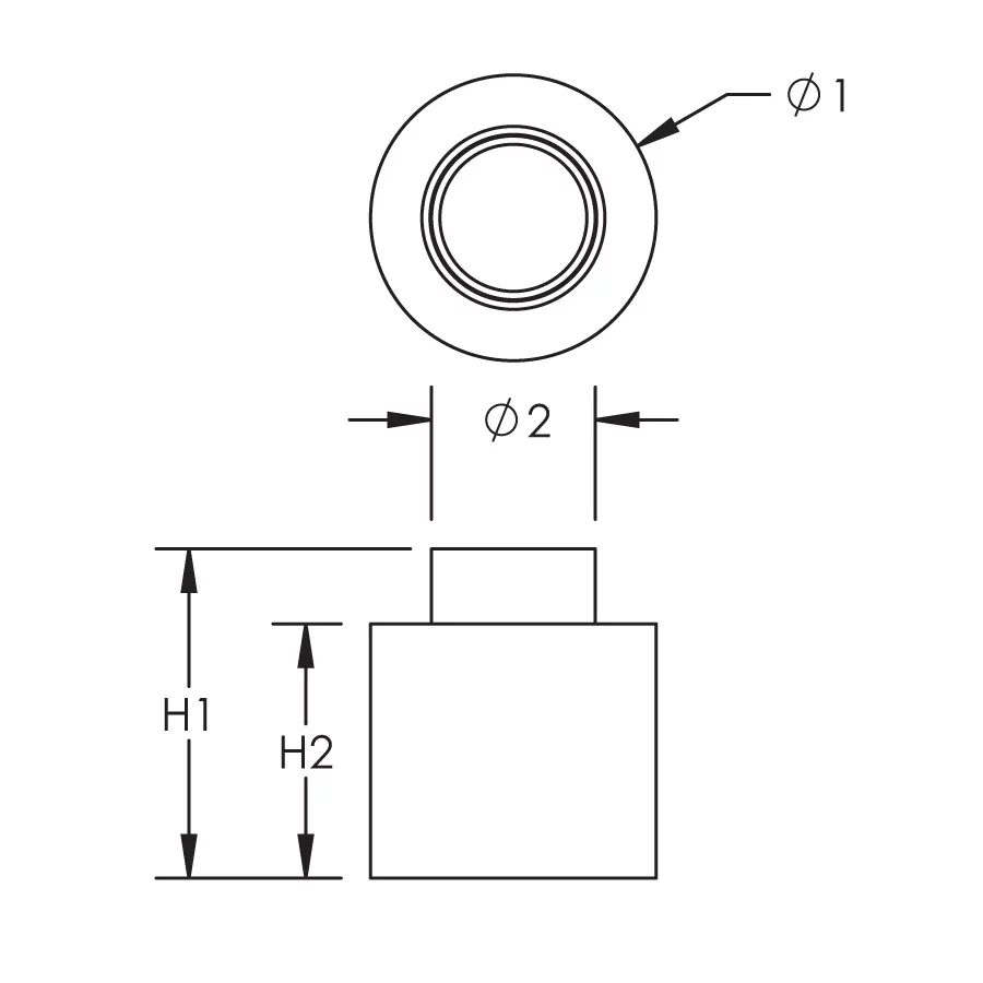
Pouring Basin Ceramic Guide Tube

The pouring basin guide tube is placed into the sleeve tap hole and the pouring basin is then placed onto the guide tube. The guide tube helps ensure alignment of the pouring basin to the sleeve, which helps eliminate leakage of the molten filler material.

Read more Read less Print This Page
Need technical support or a quote? We're here to help.
Contact Us Where to Buy
Details

Features

Specifications

Material Ceramic;Steel
Data Copied
Metric   |   Imperial

Diagrams

Resources
Warning
nVent products shall be installed and used only as indicated in nVent's product instruction sheets and training materials. Instruction sheets are available at www.nvent.com and from your nVent customer service representative. Improper installation, misuse, misapplication or other failure to completely follow nVent's instructions and warnings may cause product malfunction, property damage, serious bodily injury and death and/or void your warranty.
Need technical support or a quote? We're here to help.
Contact Us Where to Buy