Skip to main content

Please Select Your Country/Language Preferences

PH35992.jpg image Hover to magnify image or click to enlarge

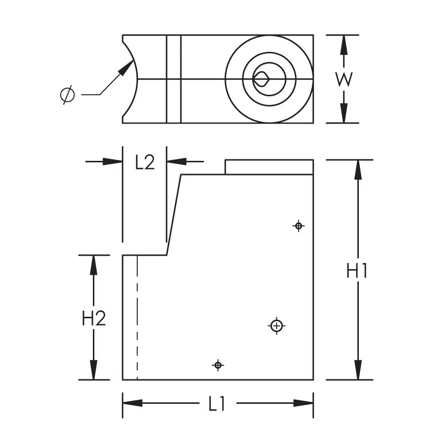
Vertical Pouring Basin, Standard

Standard vertical pouring basins should be used whenever the clearances of the structure allow. The compact size of the standard pouring basins help ensure the best possible flow of filler material.

Read more Read less Print This Page
Need technical support or a quote? We're here to help.
Contact Us Where to Buy
Details

Features

Specifications

Material Graphite
Data Copied
Metric   |   Imperial

Diagrams

Application images Resources Related Products
Warning
nVent products shall be installed and used only as indicated in nVent's product instruction sheets and training materials. Instruction sheets are available at www.nvent.com and from your nVent customer service representative. Improper installation, misuse, misapplication or other failure to completely follow nVent's instructions and warnings may cause product malfunction, property damage, serious bodily injury and death and/or void your warranty.
Need technical support or a quote? We're here to help.
Contact Us Where to Buy