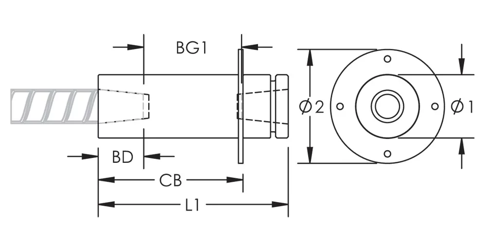
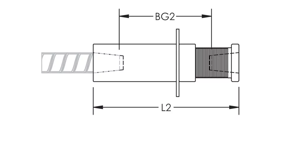
P8 Position Coupler with Form Saving Plate


P8 Position Coupler with Form Saving Plate
Used in segmental pour and closure pour applications. Permanent form saving plates allow easy attachment to form work, eliminating costly damage to the forms.
Details
Application images
Resources
Features
- Designed to splice the same diameter bars
- Designed to splice two curved, bent or straight bars, when neither bar can be rotated and where the ongoing bar is NOT free to move in its axial direction
- Adjustability in the female end of the coupler allows the coupler to extend out to meet the taper-threaded reinforcing bar
Specifications
Designed to Meet | AASHTO;ABNT NBR 8548:1984;ACI 318 Type 1 (125% Specified Yield);ACI 318 Type 2 (Specified Tensile);ACI 349;ACI 359;AS3600 |
Brochure
Installation Manual / Instruction Sheet
Technical Handbook
- Warning
- nVent products shall be installed and used only as indicated in nVent's product instruction sheets and training materials. Instruction sheets are available at www.nvent.com and from your nVent customer service representative. Improper installation, misuse, misapplication or other failure to completely follow nVent's instructions and warnings may cause product malfunction, property damage, serious bodily injury and death and/or void your warranty.