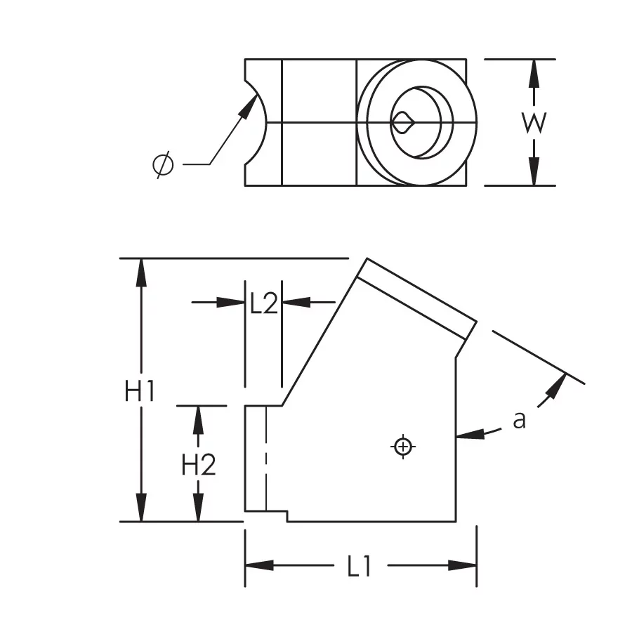
Angular Pouring Basin, Top Fill, 60°
Hover to magnify image or click to enlarge
Angular Pouring Basin, Top Fill, 60°
Top fill pouring basins should be used on angular installations whenever the clearances of the structure allow. The compact size of the top fill pouring basins help ensure the best possible flow of filler material.
Details
Application images
Resources
Related Products
Features
- Made from heat-resistant graphite
- Durable, re-usable and long lasting
- Designed for use with T-Series and B-Series vertical sleeves
Specifications
- Warning
- nVent products shall be installed and used only as indicated in nVent's product instruction sheets and training materials. Instruction sheets are available at www.nvent.com and from your nVent customer service representative. Improper installation, misuse, misapplication or other failure to completely follow nVent's instructions and warnings may cause product malfunction, property damage, serious bodily injury and death and/or void your warranty.