nVent CADDY Microfix Double Pipe Clamp
Hover to magnify image or click to enlarge
nVent CADDY Microfix Double Pipe Clamp
Details
Application images
Resources
Features
- Fast installation of parallel pipes from a single anchor
- Category II noise reduction according to DIN EN ISO 3822-1
- Compliant for sound insulation design according to DIN 4109
- Reaction-to-fire classification is "E" in compliance with DIN EN 13501-1
Specifications
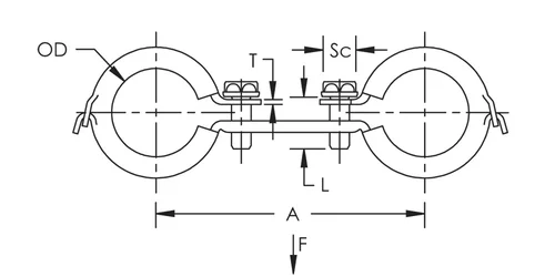
| Width (W) | 0.79" |
| Screw Length (L) | 0.79" |
| Screw Diameter (Sc) | 6 |
| Width (W) | 20 mm |
| Screw Length (L) | 20mm |
| Temperature | -50 to 110 °C |
| Temperature | -58 to 230 °F |
| Color | Black |
| Finish | Electrogalvanized |
| Material | Steel;EPDM-SBR Rubber |
Test Report
- Warning
- nVent products shall be installed and used only as indicated in nVent's product instruction sheets and training materials. Instruction sheets are available at www.nvent.com and from your nVent customer service representative. Improper installation, misuse, misapplication or other failure to completely follow nVent's instructions and warnings may cause product malfunction, property damage, serious bodily injury and death and/or void your warranty.