Hover to magnify image or click to enlarge
Electrical Interlocks, 230VAC, Plated, Steel
Provide positive internal safety lockout on electrical enclosures while the equipment is energized. When energized, these interlocks prevent the door handle from being turned to open the door.
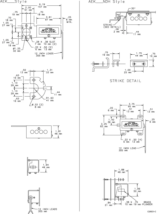
Catalog numbers AEK115, AEK230 and AEK460 are used with standard HOFFMAN door latching mechanisms. Fit either clockwise or counterclockwise handles in the following enclosures: 1. All two-door Type 4 and 12 enclosures 2. All Type 4X with 3-point latch enclosures 3. Free-standing Type 12 enclosures 4. All one-door Type 12 enclosures with latch kits installed. The interlocks will fit the following enclosures, but modifications are required. Consult the factory for more information. 1. Two-door Type 12 enclosures for flange-mounted disconnects 2. Heavy duty free-standing Type 12 enclosures for flange-mounted disconnects 3. Modular Type 12 enclosures for flange-mounted disconnects 4. Multi-door Type 12 enclosures
The interlocks will also fit most HOFFMAN custom enclosures with door latching mechanisms similar to the mechanisms used on the preceding enclosures. AC electrical interlocks will not fit Bulletin A25 and A26 enclosures. Interlocks are not designed to be used in place of the standard door or cover latch.
Catalog numbers AEK115NDH, AEK230NDH and AEK460NDH are designed to be used on some HOFFMAN enclosures and boxes which have exterior latching only. When energized, these interlocks will prevent the enclosure door from being opened. They fit on the door or cover of the following enclosures and maintain UL Type 4, 4X and 12 when properly installed per HOFFMAN instructions: 1. One-door Type 4 and 4X enclosures 2. Two-door Type 4 and 4X enclosures 3. One-door Type 12 enclosures 4. Larger sizes of Hinge-Cover junction boxes 5. Type 1 and large Type 1 enclosures
The interlocks also fit in most HOFFMAN custom enclosures and boxes which have doors or covers hinged similar to doors or covers on the preceding enclosures.
Industry Standards
UL 508A Component Recognized; File No. E61997
CSA Certified; File No. 42186
Features
- Solenoids are rated for continuous duty and will stand up under heavy industrial use
- Packaged complete with a solenoid assembly, strike plate or bracket and instructions for field installation
- Handles and latch mechanisms are not included
- AEK style electrical interlocks mount on the inside of the enclosure door using the same screws which hold the door handle in place, the strike plate attaches to the existing latch assembly
- AEK NDH style electrical interlocks require drilling several holes in the cover and body for mounting
Specifications
PRODUCT ATTRIBUTES
Bulletin Number
Approval Agency Certificate
Installation Manual / Instruction Sheet
CAD Generation
- Warning
- nVent products shall be installed and used only as indicated in nVent's product instruction sheets and training materials. Instruction sheets are available at www.nvent.com and from your nVent customer service representative. Improper installation, misuse, misapplication or other failure to completely follow nVent's instructions and warnings may cause product malfunction, property damage, serious bodily injury and death and/or void your warranty.