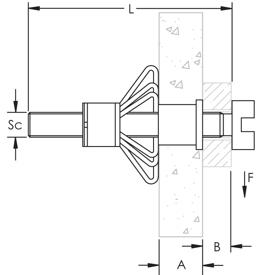
Cavity Plug
Details
Application images
Resources
Video
Features
- For use in plasterboard, hollow brick, hollow block and chipboard
- Ideal for attachment to cavity walls
- Large seating area for high loading capacity
Specifications
| Finish | Electrogalvanized |
| Material | Steel |
| Screw Included | Yes |
Brochure
Catalog

- Warning
- nVent products shall be installed and used only as indicated in nVent's product instruction sheets and training materials. Instruction sheets are available at www.nvent.com and from your nVent customer service representative. Improper installation, misuse, misapplication or other failure to completely follow nVent's instructions and warnings may cause product malfunction, property damage, serious bodily injury and death and/or void your warranty.