Skip to main content

Bitte wählen Sie Ihre Landes-/Sprachpräferenz aus.

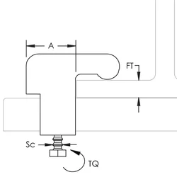
PH38133.jpg image Zum Vergrößern über das Bild fahren oder klicken

System 2000 Trägerklammer für U-Schiene

Benötigen Sie technischen Support oder ein Angebot? Wir helfen Ihnen gern.
Kontakt Bezugsquellen
Warnung
nVent-Produkte müssen in Übereinstimmung mit den Produktinformationsblättern und dem Schulungsmaterial von nVent installiert und verwendet werden. Informationsblätter sind verfügbar unter www.nVent.com sowie bei Ihrem nVent-Kundendienstvertreter. Unsachgemäße Installation, Missbrauch, Fehlanwendung oder andere Handlungen im Widerspruch zu den Anweisungen und Warnungen von nVent können zu Fehlfunktionen, Anlagenschäden, schwerer Körperverletzung sowie zum Tod führen und/oder haben die Annullierung der Garantie zur Folge.
Benötigen Sie technischen Support oder ein Angebot? Wir helfen Ihnen gern.
Kontakt Bezugsquellen